绿色大视野周刊2022年8月6日
绿色大视野
周刊
2022年8月6日
目录
油田产出气技术-脱碳与回收
布朗气体技术与应用
二氧化碳工业固定利用路线开发
过热熟化烘干技术

本期开始介绍中国生产力促进中心协会绿色生产力委员会委员单位“双绿”技术。
“双绿”即绿色生产力和绿色人民币评价标准。绿色生产力强调科技创新,减污降碳;绿色人民币强调效益突出,生态惠民。
本期展示天津大港油田滨港集团弘石油化工有限公司—油田产出气处理技术-脱碳与回收、广东蓝新氢能源科技有限公司布朗气体技术与应用、山东原创环保工程有限公司二氧化碳工业固定利用路线研发、滨州龙腾机械有限公司—过热熟化烘干技术共四项委员单位专有技术。
简介
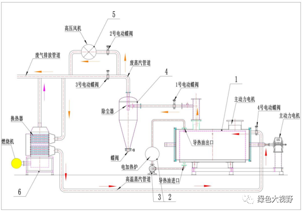
2018 年开始,天津大港油田滨港集团弘石油化工有限公司开展了 CCUS-EOR 技术。已累计实施 260 余井次,综合利用二氧化碳 7000 万方,实现增油 15.4 万吨,综合降水 134 万方,作业效果显著。但随着实施井次的增多,CCUS-EOR 对后续生产带来的影响开始显现:二氧化碳通过优势通道扩散至伴生气中,影响了天然气的品质;二氧化碳的存在,加速了集输设备、设施的腐蚀,影响了现场正常生产。油田产出气处理技术的研究工作就此开始。
绿色生产力

油田产出气处理技术作为“碳捕集”系列技术之一,通过 ASP、C-me、CIR 专利技术,将二氧化碳吞吐产出气中天然气、二氧化碳组分分离、提纯、回收,天然气提纯至 95%以上,实现了二氧化碳尾气的“零”外排,解决了因二氧化碳存在的技术设备、设施的腐蚀,作为 CCUS-EOR 技术循环闭合点,属于碳减排技术领域。
1、中国石油天然气集团公司首套拥有自主知识产权的“碳捕集”撬装处理
回收技术,处于行业领先水平。
2、全程闭环管理,实现了二氧化碳尾气的“零”外排。
3、通过数据采集远传系统,实现了手机终端 APP、现场施工端、生产监控
端“三位一体”的远程智能化操控。
4、作为二氧化碳增能吞吐技术的循环闭合点,提高了该技术大规模推广应
用的可行性,实现了 CCUS 技术的全链条式应用,支撑了该技术向能源开发与环
境保护双赢循环经济模式延展。
5、可解决油田开发过程中因二氧化碳存在所导致的集输设备、设施的腐蚀。

绿色人民币
此技术除应用于油田外,对于炼油厂裂化、焦化等过程、化工厂、火力发电厂等高含碳排放场所,都有应用价值。该技术目前主要应用在油田,将CO2从大型工业排放点源中分离、捕集后,加以驱油利用,并将油藏地质体作为整体封存体。根据大港油田现有产出气数据初步预测,每年可综合利用二氧化碳2100万方,同时可解决因二氧化碳存在所导致的设备腐蚀等问题。该技术综合效益指标为,CO2驱油技术能够有效提高原油采收率7-20%;同时实现地下封存,可将40%-60%C02永久封存于地下。仅从满足现场生产需求,回收95%的天然气2100 Nm3/d(每年189万元),液态二氧化碳6-7 t/d(每年108万元),减少二氧化碳尾气的排放1.38×106Nm3/年。
实践验证

上图为板桥油田某中转站内来气资源化处理示范工程,其应用效果:回收95%的天然气2100 Nm3/d,液态二氧化碳6-7 t/d,满足现场生产需求。
效益分析:
① 回收天然气的价值:189万元/年;
② 回收液态二氧化碳的价值:108万元/年;
③ 社会效益:减少二氧化碳尾气的排放1.38×106Nm3/年
油田产出气处理技术在大港板桥油田经过验证,按现场生产需求完成了站内来气资源化处理,回收天然气纯度≥95%,二氧化碳尾气“零”外排。由于油田公司开发方案的变动,导致该技术在现场应用30天后终止。运行期间,回收天然气6.3×104Nm3,回收二氧化碳10.8×104Nm3。根据现场来气处理量收取技术服务费,每方来气处理费用1-1.5元(由气量大小决定)。
1.目前,该技术在油田产出气(指二氧化碳吞吐/驱技术)领域的适用性得到论证,下一步可将在炼油厂、化工厂、发电厂、沼气等高含碳(二氧化碳>40%)排放气场所进行可行性验证。
2.设备加工期为3-6个月,另需设备现场调试15天。
3.该技术核心组件为中空纤维膜,需保证膜使用寿命,防止中毒。气源进入系统前需明确气体组分,并过滤掉有可能使膜中毒的成分。
简介
在“碳达峰与碳中和”的方向指导下,广东蓝新氢能源科技有限公司在燃能方面提出“氢燃能”高效对应碳、氮、硫、氮等等减排和减小石化燃能用量成本技术–水电解氢氧混合气体(俗称“布朗气”)技术及应用的基础科研成果。利用布朗气在燃烧过程中所体现出的燃烧特性,用来与其它燃料混烧,帮助其它燃料燃烧过程中所出现的燃烧不充分、空燃比过量、提高热反应利用率和经济成本高企等等问题。这样的混烧方式,不仅可以改善燃烧工况,使得燃烧室的热强度得到有效提高,还利用了氢氧混合气的二次或多次反复燃烧 的燃烧特性,使其在燃烧过程中将尚未完全燃烧的一氧化碳(CO)、氢(H2)、氨(NH4)、硫化氢(HS)等得到完全燃烧。这对节能减排和环境净化,起到了不可估量的作用。利用布朗气与其它燃料混烧,节约能率可达20~35%,同时能够大幅度降低大气污染物的排放;应用方便、安全,混合比可根据燃烧工况调节,使之实现节能减排的重要能源之一。
绿色生产力
布朗气其定义为严格地按照水(H2O)分子式中氢氧摩尔当量配比,经专用设备(布朗气发生器)电解产生的、具有活性的氢氧混合可燃气体。

(图1为单台35m³/h产气量的水电解氢氧混合气体俗称“布朗气”发生装置及应用过程中“氢鸣”阻火控火安全装置。该机型可以依据应用现场的需要进行并联使用,对应工业大量需求用途并且在所有以氢能源为基础能源的用户中的氢电能利用用户、氢燃能利用用户、氢分子利用用户等等)
技术的成熟性:其项目由 2011 年开始着手筹备研发至今不停止的进行,于 2017 年开始整机在陶瓷企业、不锈钢压延加工企业等燃能应用单位中进行“中试测试和验证”,不断改进“氢鸣”阻火装置结构和输入方式调整 ,获得多项认证和肯定(包括安全运行、节能率及减排清洁数据);当前,在广东省佛山市政府主导,由华南理工大学、中科院广州能源研究所、陶瓷学会等 9 个单位组成“布朗气陶瓷行业应用工程研究院”,主攻对布朗气燃烧特征研究,电解水产生布朗气的实验及机理、布朗气与天然气混合物燃烧的理论研究、论证布朗气实体模拟测试分析,分析混合燃烧的火焰的温度场,将动态温度埸测试数据与软件模拟分析相结合,布朗气掺混燃烧后烟气温度、烟气成分分析,碳排放量量化计算与评估、燃烧火焰及炉膛内关键点气体,炉膛壁面温度测量等项目,为布朗气应用提供有力的理论依据和数据支撑。
1、变温特性
布朗气体在其燃烧时,火焰温度会随被加热物体材料的不同而具有不同的燃烧温度,称为“变温特性”。国外有文献报道称布朗气的火焰温度在 125~6000℃范围。
2、内爆特性
布朗气是严格按照水分子结构中氢氧摩尔当量配比的氢氧混合气体,具有其它所有燃气都无法实现的内爆特性,当燃烧或爆炸发生后,布朗气按 1:1860 体积比形成真空和负压。通过实验,测试得到氢氧混合气与其它燃料在爆燃时的特性,曲线如图所示.

基于这种特性,其在炉内反应完后,可大幅度降低烟气排放量,减少热损失。
3、催化特性
俄国科学家杜捷列夫的实验表明,一氧化碳与空气混合物的燃烧速度很小,当气体中含有 20ppm 的氢时,燃烧速度就会显著提高。当把除掉水分和氢的“干燥”一氧化碳和氧接触,则在 700℃以下是不会起反应的。H2的燃烧产物 H2O 对爆燃和火焰的辐射也有很强烈的影响。由于氢对燃烧中间产物氧化反应的链锁推进,提高了 CO、烃类、氨类、硫化物等的氧化反应速度,可以在保持燃烧性能的前提下,大幅度降低空气过剩系数,从而减少排烟热损失,提高燃烧系统的热效率。
4、碱性特征
为了提高电解效率的转换,电解原水按严格的比例添加了碱性导电物质,在绝对密封的耐压容器内进行通电电解,释放出氢氧同步混合的气体直接用于燃烧,碱性导电物是不参与电解,但导电物在电解过程的高温高压下,小部分游离态随氢氧气体排出。
5、真空燃烧
气体由二个氢(H) 和一个氧(O2) 组成,燃烧后形成水(H2O),无需外部氧的支持而能独立在无氧条件下燃烧、也是唯一可以在无需增加任何氧气,便可在真空或负压工况下充分燃烧,可适合于真空燃烧、水底焊接等项目,也是有效解决特殊工况下的新燃料能源。
6、布朗气催化燃烧具有抑制产生二噁英作用
1)垃圾中常见的有机物不完全燃烧会产生五氯酚,在炉膛尾部形成二噁英,引入氢氧混合气使碳黑和烟气排放同步降低,减少了五氯酚生成带来的二噁英排放和碳黑颗粒吸附的二噁英。
2)由电解水产生的氢氧混合气带有一定的碱性水溶液,碱的氧化性气氛已有前人验证对二噁英有抑制作用。
3)二噁英的加氢热解效果优于化学热解,在 350℃加热 1 小时有 99%的脱氯效果。固相二噁英的浓度是生成反应、解析反应和分解反应共同作用的结果,而加氢环境使得垃圾焚烧过程中二噁英的解析反应和分解反应占主导,具抑制二噁英生成效果。二噁英的光解实验也得出同样的结论,即溶剂越容易提供氢,二噁英在其中的光解速度越快。
4)国外 Vogg 等、Ross 等实验表明,氧浓度小于 2%时,二噁英生成很少。氢氧混合气催化燃烧技术的α取到极小值 1.01,烟气中氧含量 0.2~0.3%
绿色人民币

布朗气经多年技术攻关,利用水构象原理使单位能耗由4.5kwh/Nm³降为2kwh/Nm³,目前获得30个以上发明及实用型专利;在该技术下的布朗气电解装备占地面积小,自动化程度高,产气可即产即用,无需存储与运输,有助于用户提高能源利用效率,降低“三废”排放等突出优势,可应用于陶瓷行业、热解固废等多个项目,替代工业天然气、供应加氢站。布朗气电解装备每小时35立方米规格为60万元。产出以陶瓷行业为例,陶瓷锅炉每小时使用工业天然气2500m3,以每小时1000m3布朗气替代工业天然气,仅天然气与布朗气价差,每天即可减少经济成本约8万元,7~8个月即可回收设备投资成本。


简介
山东原创环保工程有限公司二氧化碳工业固定利用路线研发,即将化石能源(煤、石油及天然气)在能源利用过程中所产生的CO2直接转化为CO2固定量最高、生成热较大、过程能耗少的稳定固体产物三嗪醇,该产物可开发成低成本、低碳排放、低内能的三嗪类高分子材料,替代部分高耗能高排放的工业材料如钢铁、电解铝;转化过程中释放的能量可作为清洁能源应用于发电,发热等。
绿色生产力
目前世界上还没有一种经济有效的规模化利用CO2方法,本方法生成1.0吨三嗪醇需要消耗1.0吨CO2,是目前利用CO2最有效的化学反应。
“十四五”将是实现2030年前碳达峰的关键时期。近期各省份、各行业均在制定碳排放达峰行动计划、实施路线图,但并缺乏具体的实施方案。通过资料调研,目前未发现经济有效的规模化利用CO2方法,本项目为CO2减排利用提供了新的思路和方法,填补了国内外CO2大规模封存利用的空白,属国际领先。
基于二氧化碳减排和固定利用理念,研发团队提出了化石燃料固碳利用新途径,就是将化石燃料在能源利用过程中所产生的CO2在一定工艺过程条件下直接转化为CO2含量高、生成热较大、过程能耗少且物理性质稳定的1,3,5-均三嗪三醇(简称三嗪醇)产品,过程中释放的能量作为清洁利用,实现化石能源能量和物质成分的同时高效利用。
该技术的关键指标如下:
1)固碳产品性状:白色固体;
2)固碳产品CO2含量≥87%;
绿色人民币
在该技术下,1吨产品只需要消耗大约1吨标煤化石燃料,反应过程没有NOx产生,原料中的硫在反应过程中转变为硫磺,CO2直接转化到产品中;目前进行了500 kg/h CO2固定产品三嗪醇的中试,得到三嗪醇产物为纯白色固体,单程转化率为75%,产品纯度90%以上,具有大规模推广的條件。以年产1万吨三嗪醇,年运行8000h的项目为例,设备投资为1130万元,占地800平方米;每年原料消耗、电耗、设备折旧等成本为1542万/年,三嗪醇市场价3000元/t,产品销售额可达3000万元,年净利润可达1480万元。
实践验证
1、工程案例
①工程名称:尿素制氨烟气脱硝示范工程
②工程规模:设备能力为500 kg/h CO2固定产品三嗪醇
③效果:三嗪醇产品为纯白色固体,质量良好,单程转化率为 75%(在优化反应条件下,三嗪醇产率可达95%),产品纯度为 90%。
现场图和产品图如下:

图1 二氧化碳固定利用产品的技术设备图

图2 三嗪醇成品图
2、社会、经济、生态效益
本项目属碳减排项目,该技术不仅实现CO2减排还实现了CO2的高值利用。该技术可在碳税和固碳产品三嗪醇的销售上实现双重收益。具体如下:
①社会效益
我国提出2030年碳达峰、2060年碳中和目标,意味着我国要用全球历史上最短的时间实现从碳达峰到碳中和,但目前还缺乏明确的战略科技路线和经济可行的实施途径,该技术可填补了国内外CO2规模化工业固定利用的空白,为我国的“碳达峰、碳中和”目标提供了一条新的CO2减排利用思路和方法。
②经济效益
碳税:据世界银行统计,截至2020年6月,已有超过30个国家和地区实施碳税政策,碳税价格从1美元/吨CO2(波兰)到119美元/吨CO2(瑞典)不等。我国碳排放权交易市场正在筹建,并处于探索开展碳税试点中。据国际货币基金组织预测,为实现2℃的控温目标,每吨CO2定价应在75美元左右。
三嗪醇产品销售:该技术三嗪醇生产成本约2000元/吨,按照目前的市场价4500元/吨计算,净利润至少2500元/吨。
③生态效益
近些年来人们越来越关注解决全球变暖,本项目为解决全球气候变暖提供了一个科学有效的途径,为全球应对气候变暖提供强有力的技术支撑。
简介
研究发现,利用过热蒸汽进行干燥时,存在一个温度点,在此温度以上时,用过热蒸汽蒸发的速率大于用干空气蒸发的速率;在此温度以下时,则正好相反。此温度叫做”逆转点”。
过热蒸汽干燥是指在“逆转点”温度以上,利用过热蒸汽直接与被干燥物料接触而去除水分的干燥方式。与传统的热风干燥相比,这种干燥以水蒸汽作为干燥介质,干燥机排出的废气全部是蒸汽,蒸发全程在负压真空状态下进行。因此其干燥介质的消耗量明显减少,故单位热耗低 。

绿色生产力

该技术的突出优势及特点:
(1) 可利用二次蒸汽的潜热,热效率高,节能效果显著。
(2) 干后产品品质好。用过热蒸汽干燥的主要原因是无空气状态干燥产品的质量得到改善。
(3)过热蒸汽的比热大 ,蒸汽用量少 ,这就可以减少设备的体积和废气的净化量。
(4) 无爆炸和失火危险。过热蒸汽干燥无空气存在,没有氧化和燃烧反应。
(5) 过热蒸汽干燥有利于保护环境。过热蒸汽干燥是在密封条件下进行的,粉尘含量大大降低。用过热蒸汽干燥可以消除城市垃圾、污泥等的臭味。
(6) 过热蒸汽具有灭菌消毒作用。过热蒸汽干燥物料的温度大于水的沸点温度,在干燥有灭菌要求的餐厨垃圾和药品原料同时,能消灭细菌和其他有害微生物。
绿色人民币

过热蒸汽技术可覆盖生活类、养殖类、轻工业类等多种领域的原料干燥。过热干燥工艺比常规干燥工艺节省能源30%,降低碳排放27%;过热干燥设备运行中无污水排放;相比传统工艺,物料加工时间缩短约30%;设备运行稳定安全,过热蒸汽干燥不会发生氧化和燃烧反应;物料的温度大于水的沸点温度,具有高温灭菌、消毒作用,;运行过程无臭味产生,传统技术排放废气比较,氨气降低85%、硫化氢降低77%、臭气浓度降低99.2%。设备规格在500kg-50000kg日处理量不等,投资在26万元-65万元之间;以处理5000kg禽类加工为例,运行成本1270-1400元/t,成本比传统处理工艺节约43%。
中国生产力促进中心协会
绿色生产力工作委员会联系人:李新野 18518599944


